摘要:锅炉脱硝系统,应纳入电站主体系统一并优化,方能适应越来越严格的环保排放及设备安全运行及节能增效的要求。文章介绍了稀释风系统、SCR反应器、尿素催化水解等系统优化具体方法。

关键词:锅炉脱硝;系统优化;探讨
近来,全国大面积雾霾天气的持续加重,环保部门加大了对燃煤电站烟气处理的管理力度。被称为“史上最严”的《火电厂大气污染物排放标准》(GB13223-2011)实施不久,2014年9月12日,国家发展改革委员会、环境保护部、国家能源局联合下发《煤电节能减排升级与改造行动计划(2014-2020年)》(发改能源(2014)2093号),要求东部11个省市新建燃煤发电机组大气污染物排放浓度基本达到燃气轮机组排放限值(即在基准氧含量6%条件下,烟尘、SO2、NOx排放浓度分别不高于10mg/Nm3、35mg/Nm3、50mg/Nm3),中部地区8省市新建机组原则上接近或达到燃气轮机组排放限值,鼓励西部地区新建机组接近或达到燃气轮机组排放限值。
2015年12月11日,国家发展改革委员会、环境保护部、国家能源局又联合下发《全面实施燃煤电厂超低排放和节能改造工作方案》(环发[2015]164号文),推动《行动计划》“提速扩围”:到2020年,全国所有具备改造条件的燃煤电厂力争实现超低排放(即在基准氧含量6%条件下,烟尘、SO2、NOx排放浓度分别不高于10、35、50mg/Nm3)。
全国有条件的新建燃煤发电机组达到超低排放水平,加快现役燃煤发电机组超低排放改造步伐,将东部地区原计划2020年前完成的超低排放改造任务提前至2017年前总体完成;将对东部地区的要求逐步扩展至全国有条件地区,其中中部地区力争在2018年前基本完成,西部地区在2020年前完成。
为了满足日益严格的环保排放要求,大型燃煤电厂烟气脱硝系统90%以上采用的是选择性催化还原法(SCR),还原剂则根据当地部门的要求,选择液氨、尿素或者氨水。
目前,常见脱硫系统的方案是:稀释分系统采用的是独立的系统,SCR反应装置是作为一个设备安装在锅炉钢架上,并没有将脱硝与电站主体系统相结合,给系统运行安全带来了一定的安全隐患,同时也在一定程度上提高了工程造价,不利于系统节能。以下就结合电站主体系统,对稀释风系统设置、SCR装置膨胀设计以及尿素制备还原剂等方面,进行系统优化。
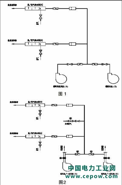
1稀释风系统优化
目前,SCR脱硝技术的稀释风均采用独立的稀释风机提供(见图1),这种配置方案的优点是脱硝系统运行与电厂主体设备独立运行,但由于设置了独立的稀释风机,造成系统复杂,耗电量大,且投资也高些。同时由于稀释风机一般布置在SCR钢结构上,其运行时的振动对SCR的安全造成一定的影响;增加了的噪音源,对周边环境造成一定的影响。

由于脱销稀释风量大约为锅炉送风机或者一次风机风量的1.2%~1.5%,且锅炉一次风机的压头一般宜能满足稀释风的需要。优化方案建议取消稀释风机,在锅炉送风机或一次风机出口风道引一路风道至氨/空混合器入口,稀释风由锅炉本体送风机或一次风机提供。为了防止锅炉启动时确保颗粒物不进入氨喷射格栅(AIG),需要引入一路压缩空气,在引风机启动后且送风机启动前,氨/空混合器喷嘴有空气喷出。优化后的系统图见图2。
2、SCR装置膨胀指示器的设置
众所周知,锅炉启动过程中,影响设备安全的主要有整体系统的膨胀以及锅炉密封等,故在锅炉本体多个位置设置了膨胀指示器,在锅炉启动时,要对锅炉的膨胀进行跟踪监测,只有锅炉整体膨胀按照预先设计好的方向及位移量进行,才能保证锅炉本体的设备安全。
在设计过程中,SCR反应器是作为一个独立装置进行设置的,而它实际上与省煤器或空气预热器一样,是锅炉本体的一部分。SCR反应器的工作温度在300~420℃之间,也是和锅炉本体一样由冷态逐渐加热、升温。
此外,由于SCR反应器内部装有催化剂,烟气温升速度也会对催化剂的活性和寿命产生一定影响(例如某催化剂要求:反应器入口温度在≤70℃、70~150℃和≥150℃时,烟气温升速度要求≤5℃/min、≤10℃/min和≤20℃/min),因此,对SCR膨胀的检测与锅炉本体其他部件一样重要。
建议在每个SCR反应器的底部和顶部的四角,分别设置一个膨胀指示器。在锅炉启动过程中,将SCR反应器的膨胀纳入锅炉本体的膨胀检测体系中,确保包括SCR反应器在内的锅炉各部分设备安全。
3尿素转化氨气的方式
脱硝还原剂绝大部分采用液氨、尿素,由于液氨运输、储存和使用过程中,存在较大的安全隐患,在有关部门批复的安评文件中,要求脱硝还原剂采用尿素。
2014年之前,尿素制氨基本上都是采用的尿素热解,即浓度为40%~50%尿素溶液喷入电热解容器中,将容器出口温度维持在350℃左右,将尿素制成氨气,同时保证氨气不再结晶。该方案能耗较高,200MW机组配置电热解容器的电耗量为800kW左右,运行电耗在0.3%左右,同时电热容器内氨水喷枪以及在氨气输送管路上极易出现结晶现场,对系统的安全运行产生一定的影响。
尿素催化水解技术是一种新型制氨技术,它是利用电厂低品质蒸汽(压力1.0MPa,温度200℃)在低温下采用电厂蒸汽将尿素溶液分解生成氨气混合气,由于使用了少量催化剂,其反应速度快,响应时间小于1min,能够适应锅炉负荷波动的需要,不会出现环保排放事故,同时能耗水平大幅度降低,运行成本为尿素热解技术的14%左右。
随着国家环保政策、节能要求越来越高,尤其是在电站锅炉烟气采用超低排放后,对系统配置、运行的要求越来越高,单一从有一个设备、一个点可优化量越来越艰难,建议把脱硝系统纳入主体系统,其共用的气、汽、电、水等作为一个整体去系统优化,方能进一步满足日益严格的环保排放安全、设备运行安全、节能增效等要求。